房屋資料
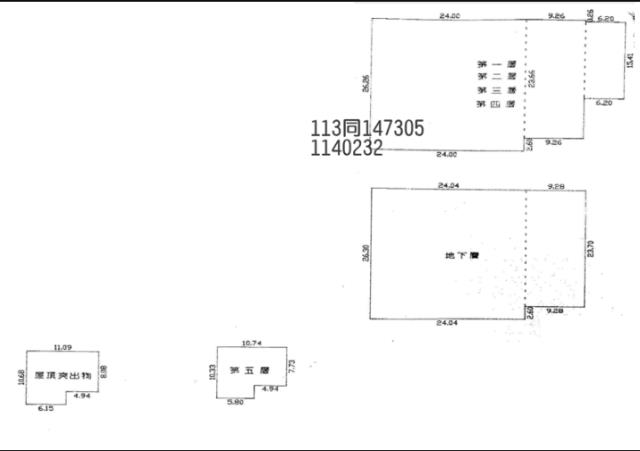
案名 台北新北法拍|014觀音工業區|工業丁建用地|獨棟廠房附增建 案號 桃園 113同147305
地址 桃園市觀音區大同二路38號5層樓( 附同棟增建坪335.10坪 . 土地408.38坪 )
最新交易狀態待標中售價
售1億5885萬1億2708萬
房屋類型 廠房_倉庫_附同號增建 總坪數 1462.7 坪
格局5層樓獨棟廠房附增建屋齡32年
每坪單價8.69萬/坪公設比
車位廠區內平面車位座向
無障礙環境法拍屋 本物件是法拍屋
拍次 : 2
開標日期 : 114/10/14(二) 10:30
建物所在樓層5層樓/共5層樓管理費
管委會中庭
電梯 是否為凶宅 不是
300公尺內嫌惡設施 面前道路
面寬 縱深
邊間房屋銷售來源不動產經紀人/專業仲介
房屋特色
104法拍網代標//透明房訊//法拍讀書會//透明實價網//投資課程㊣㊣㊣業界最大法拍屋專業機構㊣㊣㊣
法拍個案拍賣資訊均與司法院//台灣金融資產服務股份有限公司//法務部行政執行署拍賣資訊同步刊登,隨時更新!!!
★法拍屋不提供賞屋服務→可透過地政機關建物平面圖、位置圖等資料分析判斷之★

本件拍賣資訊節錄:
點交情形→●點交情形→有點交●第三人邱Ο益為菱暘金屬之債權人,而菱暘金屬將本件不動產信託予債務人。而第三人在場稱已被斷水斷電,廠房屬於無人使用之狀態。本件執行標的建物765建號係未辦所有權登記之增建物,拍定人就此部分增建物無法逕持本院核發之權利移轉證書辦理所有權登記,且應負被拆除之風險。本件169地號土地依不動產登記謄本所載,其使用分區為工業區,使用地類別為丁種建築用地,請應買人自行注意,拍定後不得以該土地有任何使用上之限制而聲請撤銷拍定或減少價金。本件建物部分拍定後依現況點交。
謄本資料→

土地:桃園市觀音區工業區段一小段169地號,空白,1350㎡,持分1/1,合計:1350.00㎡【底價9400萬】【工業區丁種建築用地■114年公告現值:14200元/㎡】

建物:1.桃園市觀音區大同二路38號,建號306,5層樓鋼筋混凝土造,1層:944.87,2層:944.87,3層:944.87,4層:944.87,5層:98.10,B1:852.19,屋頂突出物:105.60,持分1/1,合計:4835.37㎡【底價5275萬】(防空避難室,倉庫,停車空間,水箱,梯間,機械房)

2.同號(未保存),建號765,1層:255.96,4層:24.04,5層:827.77,持分全,合計:1107.77㎡【底價1210.0萬】(未辦建物所有權第一次登記,建號暫時)

[謄本]:總坪數1462.70坪[主建坪1430.76坪,附屬坪31.94坪],另增建坪335.10坪(建號:765)[RC造/廠房,防空避難室,倉庫,停車空間,水箱,梯間,機械房]

是【大學法律學系的法學士】→1996年畢業
也是【通過國家考試及格執業21年的代書】→2004年迄今
更是【任職律師事務所職司法律相關事務30年的法務經理】→1995年迄今
能精準為您分析判讀法拍個案的觸角,維繫您的個案權益。
專業指名:張世興代書
服務專線:02-2263-1206
行動電話:0986-666-000

公司名稱:一零四法拍網股份有限公司/統一編號28306523
經紀人名字&字號:林桂英/北市經證第001243號
營業員名字&證照號碼:張世興/(107)登字第331706號

個案物件均依各拍賣機關拍賣公告底價投開標.如當拍未拍定時,除經債權人聲明指定底價外.原則依前拍底價酌減20%估算次拍底價(強制執行法第91條、92條參照)
【第一拍:15885萬114年09月09日流標】
【第二拍:12708萬114年10月14日待標】
【第三拍:萬年月日】

張世興代書→其他法拍屋搜尋網站:
H0USEINFO→http://www.沿金標法拍.tw
樂屋網→https://vip.rakuya.com.tw/0986666000/sell
坪數說明
建物登記總坪數1462.70土地登記總坪數408.38
主建物坪數1430.76停車位坪數
附屬建物坪數31.94公共設施坪數
增建坪數335.10
周邊環境
生活機能鄰近交通
鄰近地標公園綠地
鄰近學區捷運站
房屋聯絡人資訊
聯絡人姓名張世興
(煩請告知聯絡人,您是在889房屋網看到這則廣告,真摯感恩您的幫忙)
手機
0986-666-000(張世興)
電子信箱jeffery1966kimo@gmail.com
Skype通話 Line加入好友
所屬公司名稱一零四法拍網股份有限公司 / 統一編號 28306523
公司電話沿金標法拍◆(02)2270-0600 ★ 0986-666-000 張世興代書◆『法拍』購屋首選公司傳真(02)2274-0884
公司地址新北市土城區金城路二段396號11樓
網 址http://www.沿金標法拍.tw

贊助商廣告
大桃園廠房,大桃園工業地,大桃園工業地廠房
桃園廠房出租,桃園工業地,桃園廠房工業地
桃園觀音法拍廠房
桃園拍賣廠房-1
桃園拍賣廠房-1
桃園拍賣廠房-2
桃園拍賣廠房-2
桃園拍賣廠房-3
桃園拍賣廠房-3
桃園拍賣廠房-4
桃園拍賣廠房-4
桃園拍賣廠房-5
桃園拍賣廠房-5
桃園拍賣廠房-6
桃園拍賣廠房-6
桃園拍賣廠房-7
桃園拍賣廠房-7
桃園拍賣廠房-8
桃園拍賣廠房-8
桃園拍賣廠房-9
桃園拍賣廠房-9
桃園拍賣廠房-10
桃園拍賣廠房-10
桃園拍賣廠房-11
桃園拍賣廠房-11
觀看地圖
黃金熱銷物件
相似物件

物件留言
請注意,如果您詢問的內容與物件不相符合或是廣告,經過審核,系統將會直接刪除您的發問內容
等待圖示
檢舉不實
等待圖示
●電話:07-7963288  ●電子信箱:服務信箱

本網站保留一切權利,非經正式書面同意,禁止轉貼節錄。建議瀏覽解析度1024*768。